502/7D-C小型壓力控制器
發布時間:2013-05-11 05:56:48 點擊:1533

產品詳細:
簡介:
502/7D-C(小型)壓力控制器采用波紋管式傳感器,可用于空氣、氣體、水等中性氣體和潤滑油、輕燃油等液體介質。控制器設定值可調,調節范圍為-0.1~4MPa,502/7D-C(小型)壓力控制器均采用鑄鋁殼體,為防水型,滿足船用條件。
特點:
502/7D-C(小型)壓力控制器是超小型設計;不可調控制器備有小切換差型。
主要技術性能:

規格:切換差不可調

規格:切換差不可調(小切換差)

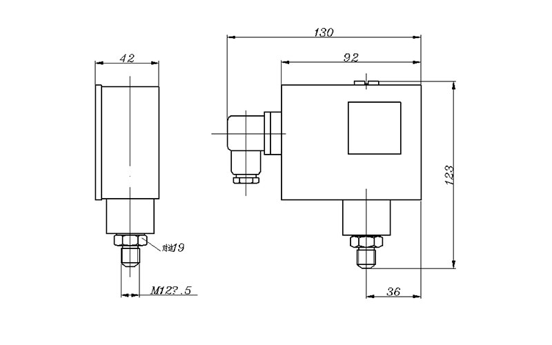
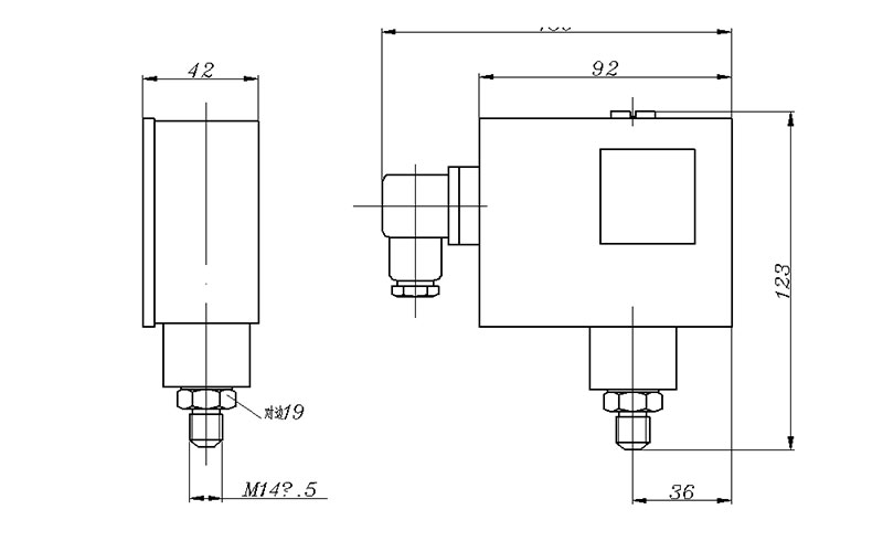
尺寸圖
01

02

下一篇:505/8D壓力控制器
